logo
CENO Electronics Technology Co.,Ltd
Correo electrónico inquiry@ceno360.com TELéFONO: 86-755-23420945

Junta rotativa de RF de 2 canales con rango de frecuencia DC-4.5GHz para antena de radar

Junta rotatoria de la radiofrecuencia
2025-11-19
882 Las opiniones
Contacta ahora
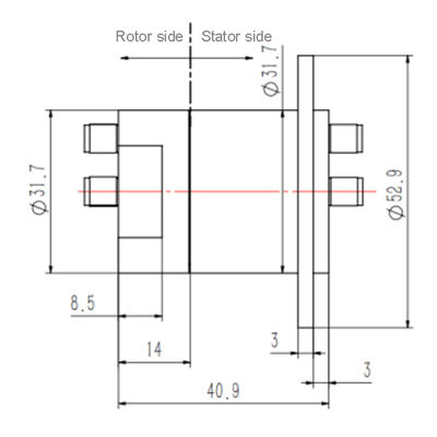
2 canales de articulación rotativa RF con rango de frecuencia DC-4.5GHz para antenas de radar RCN0204E es una unión rotativa de RF de 2 canales CENO con conector tipo SMA-K ((50Ω).Su característica ... Ver más
Mensajes del visitante Deja un mensaje
Junta rotativa de RF de 2 canales con rango de frecuencia DC-4.5GHz para antena de radar
Junta rotativa de RF de 2 canales con rango de frecuencia DC-4.5GHz para antena de radar
Contacta ahora
Más información
Vídeos relacionados
Integración de anillo de resbalón de RF con la señal Ethernet de codificador y la unión rotativa de radiofrecuencia 00:16
Integración de anillo de resbalón de RF con la señal Ethernet de codificador y la unión rotativa de radiofrecuencia

Integración de anillo de resbalón de RF con la señal Ethernet de codificador y la unión rotativa de radiofrecuencia

Junta rotatoria de la radiofrecuencia
2026-03-18
Anillo rozante de RF de potencia integrada a baja temperatura con junta giratoria de radiofrecuencia 00:19
Anillo rozante de RF de potencia integrada a baja temperatura con junta giratoria de radiofrecuencia

Anillo rozante de RF de potencia integrada a baja temperatura con junta giratoria de radiofrecuencia

Junta rotatoria de la radiofrecuencia
2026-03-17
Junta rotativa de radiofrecuencia de canal único con traje de anillo de deslizamiento RF Baja temperatura 00:30
Junta rotativa de radiofrecuencia de canal único con traje de anillo de deslizamiento RF Baja temperatura

Junta rotativa de radiofrecuencia de canal único con traje de anillo de deslizamiento RF Baja temperatura

Junta rotatoria de la radiofrecuencia
2026-03-16
3 RF articulación rotativa de baja temperatura integrar potencia y radio frecuencia anillo de deslizamiento 00:21
3 RF articulación rotativa de baja temperatura integrar potencia y radio frecuencia anillo de deslizamiento

3 RF articulación rotativa de baja temperatura integrar potencia y radio frecuencia anillo de deslizamiento

Junta rotatoria de la radiofrecuencia
2026-01-20
Baja temperatura integrar la potencia y la radiofrecuencia anillo de resbalón combinado RF articulación rotativa 00:21
Baja temperatura integrar la potencia y la radiofrecuencia anillo de resbalón combinado RF articulación rotativa

Baja temperatura integrar la potencia y la radiofrecuencia anillo de resbalón combinado RF articulación rotativa

Junta rotatoria de la radiofrecuencia
2026-01-20
2 canales de radiofrecuencia articulación rotativa con RF anillo de deslizamiento traje Baja temperatura 00:20
2 canales de radiofrecuencia articulación rotativa con RF anillo de deslizamiento traje Baja temperatura

2 canales de radiofrecuencia articulación rotativa con RF anillo de deslizamiento traje Baja temperatura

Junta rotatoria de la radiofrecuencia
2026-01-20
4 canales RF articulación rotativa combinada de energía eléctrica anillo de deslizamiento a baja temperatura 00:25
4 canales RF articulación rotativa combinada de energía eléctrica anillo de deslizamiento a baja temperatura

4 canales RF articulación rotativa combinada de energía eléctrica anillo de deslizamiento a baja temperatura

Junta rotatoria de la radiofrecuencia
2025-11-19
2 canales RF articulación rotativa combinada de energía eléctrica y señal para radar 00:22
2 canales RF articulación rotativa combinada de energía eléctrica y señal para radar

2 canales RF articulación rotativa combinada de energía eléctrica y señal para radar

Junta rotatoria de la radiofrecuencia
2025-11-19
Integrar Ethernet de energía eléctrica y anillo deslizante de RF con unión rotativa de radiofrecuencia 00:21
Integrar Ethernet de energía eléctrica y anillo deslizante de RF con unión rotativa de radiofrecuencia

Integrar Ethernet de energía eléctrica y anillo deslizante de RF con unión rotativa de radiofrecuencia

Junta rotatoria de la radiofrecuencia
2025-09-12
Unión rotativa de anillo deslizante de RF y Ethernet de potencia eléctrica integrada a baja temperatura 00:21
Unión rotativa de anillo deslizante de RF y Ethernet de potencia eléctrica integrada a baja temperatura

Unión rotativa de anillo deslizante de RF y Ethernet de potencia eléctrica integrada a baja temperatura

Junta rotatoria de la radiofrecuencia
2025-09-12
Integrar anillo deslizante de potencia eléctrica y radiofrecuencia con junta rotativa de RF 00:19
Integrar anillo deslizante de potencia eléctrica y radiofrecuencia con junta rotativa de RF

Integrar anillo deslizante de potencia eléctrica y radiofrecuencia con junta rotativa de RF

Junta rotatoria de la radiofrecuencia
2025-08-28
Anillo de deslizamiento rotativo de la articulación de baja temperatura integrada RF con señal Ethernet de 1000M 00:48
Anillo de deslizamiento rotativo de la articulación de baja temperatura integrada RF con señal Ethernet de 1000M

Anillo de deslizamiento rotativo de la articulación de baja temperatura integrada RF con señal Ethernet de 1000M

Junta rotatoria de la fibra óptica
2024-01-04
Anillo de deslizamiento de la guía de onda con 2 canales CPRG187G Frecuencia de radio articulación rotativa 00:29
Anillo de deslizamiento de la guía de onda con 2 canales CPRG187G Frecuencia de radio articulación rotativa

Anillo de deslizamiento de la guía de onda con 2 canales CPRG187G Frecuencia de radio articulación rotativa

Junta rotatoria de la radiofrecuencia
2025-08-28
3 canales de radiofrecuencia articulación rotativa con anillo de deslizamiento de RF para antena de radar 00:36
3 canales de radiofrecuencia articulación rotativa con anillo de deslizamiento de RF para antena de radar

3 canales de radiofrecuencia articulación rotativa con anillo de deslizamiento de RF para antena de radar

Junta rotatoria de la radiofrecuencia
2024-07-30
Anillo de deslizamiento impermeable IP65 a baja temperatura con gran tamaño a través del agujero 260 mm 00:20
Anillo de deslizamiento impermeable IP65 a baja temperatura con gran tamaño a través del agujero 260 mm

Anillo de deslizamiento impermeable IP65 a baja temperatura con gran tamaño a través del agujero 260 mm

Anillo colectando impermeable
2026-04-29